今日は、建築図面などにおける、㎡数表記、帖数表記、坪数表記についての解説と、実際の㎡数計算、帖数計算、坪数計算のやり方をご説明します。
※要するに、面積計算のやり方です。😅
㎡数計算、帖数計算のやり方については、部屋の面積を具体例として挙げて、実際の㎡数の出し方、帖数の出し方を解説します。
※やりだすとキリがありませんので、簡単な平面形状でご説明します。
「㎡数」については、建築基準法で多少の縛りがありますので、ある程度の統一感があるとしても、「帖数」表記と「坪数」についての縛りは何もありませんので、実は、正直なところ各社各様です。😩
紛らわしくて恐縮なのですが、この辺りの計算の仕方を、筆者の知りうる範囲で、なるべく具体的に解説してみよう、というものになります。
24.11/12追記
リンクを貼り忘れていましたが、今回の「㎡数、帖数、坪数表記」となる面積は求積図と呼ばれる図面を使って求積されます。
お時間とご興味がありましたら、こちら👉「建築図面解説:求積図とは?」の方もお立ち寄りください。
一応、1996年の建築士試験合格以来、四半世紀ほどは面積計算をし続けています😖から、さほど的は外れないはずですので、何かの足しにして頂ければ幸いです。😉
※設計が専門ですので面積計算屋という訳ではありません。
室面積の「㎡数」表記と㎡数計算例
「床面積」などというと法律用語になってしまって説明が簡単では済まなくなってしまいますので、ここでは「室面積」、つまり「部屋の面積」表記についてお話しします。
※「床面積」などの法律に絡む「面積」は改めて解説します。
単に「面積」という場合は、基本的に小学校で習った「面積」になりますから、四角形の場合は長辺✕短辺、三角形の場合は(底辺×高さ)/2で、フツーに求められます。
ですので、そういう意味では特に難しい部分ではありません。🙂

ただ、登記などでは内法(実際の有効)面積の数値が使われていたりしますし、建築図面で表記される「室面積」は原則として「芯々の面積」になっていますので、この辺りの相違についてはちょっとだけ注意が必要です。
「芯々の面積」と書いたところで、もっとも大事な説明が抜けていたことに気づきました😓ので、ちょっとニュアンスは逸れるのですが、この「芯」、つまり「通り芯」と呼ばれる仮想線についての補足から始めさせていただきますね。
通り芯とは?
例によって、筆者の建売マイホームを例にとりますが、そもそも建築図面の場合、周知の方もいらっしゃると思うのですが、例えば以下👇のような感じで「通り芯」なるものを基準に描かれています。
211216追記
この通り芯については、詳しい解説記事を書きましたので、必要に応じて、こちら👉「用語解説:通り芯とは?」もご覧になってみてください。😊

上下左右に書かれている寸法値についても、この通り芯間の距離が、mm単位の数字で入れられていますので、「室面積」についても、これに基づいて算出されることになります。
「芯」は、通常の場合、純粋な「中心線」というわけではなく、木造であれば「柱の中心を結んだ線」、RC造(鉄筋コンクリート造)やS造(鉄骨造)の場合「躯体壁の中心線」となったりしますので、壁の構成や構造によって、若干ニュアンスが違ってきますが、一般的には、この「通り芯」と呼ばれる仮想線を基準として算出されます。
要するに、「通り芯」上で計った「長辺✕短辺」、もしくは「底辺や高さ」の数値を元に算出されているという意味です。
この絵だとちょっと見づらいと思いますので、拡大してご説明しますと、木造の場合の「通り芯」は、以下の図の各壁内の柱の中心を結んだ薄緑色の一点鎖線に当たります。

実際の図面では、薄緑色で描かれているわけではありませんし、簡単な図面だと省略されてしまっている場合もあるのですが、表記があろうがなかろうが、この薄緑色の一点鎖線の位置に「通り芯」が設定されているということです。
室面積の㎡数計算の例
想定外の説明し忘れがありましたので、今一度、先ほどの前々画像に戻りまして・・・😓
具体的な「室面積」の㎡数の求め方を解説します。

まずは、右側の「洋室A」から始めます。
実際の部屋でなく、図面上の巾と高さ(奥行)で見ますと、赤字にしてある通り、巾は2730mm(2.73m)、高さ(奥行)は3185mm(3.185m)です。
面積は通常「㎡数」の数値で表されますので、「mm表記」を「m表記」に換算して計算をすることになります。
あと以下のように、計算結果としては、まずは小数点以下6桁で表現するのが基本です。
実際の計算:2.730✕3.185=8.695050
結果として「8.695050」と出ましたので、小数点以下三位を切り捨てまして・・
㎡数による実際の面積 = 8.69㎡
となりますので、この数字が先の図面👆中の以下👇の部分に記載されているわけです。😉

念のため、左側の「洋室B」の方も計算例をお出ししておきますと・・
前々画像の「洋室B」周りの赤字の数字を読んでいただければ、巾は2730mm(2.73m)、高さ(奥行)は3640mm(3.640m)になります。
24.11/12追記
リンクを貼り忘れていましたが、今回の「㎡数、帖数、坪数表記」となる面積は求積図と呼ばれる図面を使って求積されます。
お時間とご興味がありましたら、こちら👉「建築図面解説:求積図とは?」の方もお立ち寄りください。
これを計算しますと・・・
実際の計算:2.730✕3.640=9.937200
結果として「9.937200」と出ましたので、小数点以下三位を切り捨てまして・・
㎡数による実際の面積 = 9.93㎡
・・・となり、この数字が以下👇の箇所に記載されている、ということになります。

お分かりになられますかね・・・ 👀
これが、室面積の「㎡」数の具体例となります。👌
ちなみに、基本的な考え方はこの👆ような感じでいいのですが、実際には単純な四角形のお部屋ばかりではないですよね。💧
その場合、実質的に使える範囲とは違い、法的に一室とみなされる範囲まで算入されますので、あまり意味のない出っ張り空間などがある場合、通常は、その空間まで算入されています。
例えば、以下👇は当サイト解説当初の投稿「いったい何が憂鬱なのよ? PartⅠ」という、筆者の建売マイホームのダメ出しをしまくっている、楽しい(?)お話からの引用した間取り図なのですが・・・

LDKの「15帖」に対し、黄色く塗り潰したキッチンの「3.75帖」分はいいとして、この左側に、オレンジ色に塗りつぶした、ただの廊下的な部分が存在しています。
このオレンジ色の範囲は、キッチンにも使えなければ、リビングやダイニングにももちろん使えませんよね?😒
でも、法的には一室と見なされますので、表記上は「LDK15帖」の範囲に含まれてしまっていることになります。
ま、嘘とも言いにくいですし、誇張表現とも言いがたい部分ではあるのですが、このような部分が含まれている場合が往々にして有りうることは、頭に入れておいて頂いた方が間違いありません。
一般の方には読み取りにくい部分ですので、我々が描く図面(平面図)においては、お客さんに提示するための平面図である場合、「15帖」表記の下に、例えば「キッチン脇含む」などと括弧書きで記入したりするものですが・・・
不動産系の間取り図や、不動産系の設計屋が描く図面には、通常そこまでは表現されませんので、ちょっと注意が必要です。☝
この辺りも、要は「部屋を広く見せかけるため」ということになると思いますので、いわゆる「建売のトリック」に含まれる、手法のひとつかと思います。
書き方的には嘘ではありませんので、非難するつもりもないのですが、一般の方々にはご注意願いたい部分です。👌
室面積の「帖数」表記と帖数計算例
やや余談が入ってしまいましたが・・・ 😓
次に、特に住宅系図面の場合、大抵「室面積」の㎡数表記の数値の脇か下に、「〇.〇帖」とか「〇.〇J」などと書いてある、この数値「帖数」表記と、これを求める帖数計算の仕方の解説です。👊
この数字は、直観的にお分かりになられるかとは思うのですが、要は、その部屋の広さ(面積)を「帖数」で表した場合の数字になります。

日本人であれば、帖数表記での数値の方が認識しやすいだろう・・という配慮から、特に住宅の場合は、いわゆる間取り図に留まらず、建築図面においても、㎡数表記に合わせて「帖」数表記をするのが一般的になっています。
※特にルールがあるわけではないのですが・・・
間取り図だと、帖数表記だけの場合が多いですが、こんな👇具合ですね。

この👆画像は8~10年ほど前に筆者が物件を探していた時に残しておいた、200件ほどの間取り図の中から適当にピックアップしたのですが、どこのサイトから引用したのか分からなくなってしまいました。😓
どなたか、著作権をお持ちの方がいらっしゃいましたら、クレジット表記をしますので、大変お手数なのですが、教えて頂けると助かります。🙏
ちなみに、「間取り図」とは不動産広告や販売図面などに用いられる、間取りのイメージだけを示した「間取りの絵」を指します。
一般の方々から見ると、大差ないように見えるかもしれないのですが・・・
建築図面や住宅図面において、我々(設計屋)が描く「平面図」とは根本的に性質が異なります。
ここで書いていると論点が逸れてしまいますので、詳しくは、また別の機会にお話しします。🙂
余計なお願いが入ってしまいましたが、これら「〇.〇帖」とか「〇.〇J」などの表記が、㎡数での面積数値を換算した「帖数」の表記ということになります。
室面積の帖数計算の例
では、具体的な室面積の「帖数」の出し方です。😑
実はこれも特別にルールがあるわけでもありませんで、建築基準法なんかでも定められているわけありませんので、紛らわしくって恐縮なのですが、その図面を描く各社で違いがあります。😨
例えば筆者の場合、木造住宅など910モジュールで描く案件の時は、原則として、求積した㎡数の数字を「1.6562」で割って、小数点2位(もしくは3位)以下を切り捨てます。
910モジュールの「1帖」は、910✕1820mmですので、m換算して計算すると「1.6562」になるためです。
ちなみに、帖数とは「畳一枚の広さ」と表現される場合がありますが、実際は違いますので、これも紛らわしくて申し訳ないのですが、ご注意願います。
論点がズレますが、畳一枚の大きさについては、「京間」、「中京間」、「江戸間」など、厳密には色々とあるのですが、昨今の一般的な住宅で、910モジュールの場合、短辺は855~865mmほどで、長辺が1710~1730mmほどになることが多いです。
ですので、「帖数」とはぜんぜん違います。👌
ですので、例えば先の洋室Aの「8.695050㎡」の場合でしたら、8.695050㎡/1.6562 ですので = 5.25帖 となります。
洋室Bの「9.937200㎡」の場合も、同じ考え方で、9.937200/1.6562 になりますので、=6.00帖 ということになります。
「1.6562」でなく「1.62」で割る場合というのは、この910モジュールでない、マンションやビル系の建物案件で、室面積の帖数表記をする場合に使用します。
要するに、マンションやビル系の建物は、在来木造の910モジュールではなく、900モジュールで描かれ、建てられるからです。☝
ただ、元請けさんによって、この掛け率が違いますので、910モジュールであっても、「1.62」で割って、帖数の数値を広めに見せかけるような会社さんも少なからず存在します。🤫
要するに、マンションやビル系の建物は、在来木造の910モジュールではなく、900モジュールで描かれて、建てられるからです。
以下👇は、マンションともビル系とも言いにくい、だいぶ小規模なRC造アパートのプラン図です。
※プラン図とは計画案の平面スケッチです。

知り合いの不動産屋からの依頼で、無理やりなアパート計画を入れた時の図面ですので、細かい数字は入れていないのですが、例えば左側の「A-Type」の「BR(寝室)」の室面積「10.38㎡」に着目してみます。
※「BR」はベッドルーム「Bed Room」、つまり寝室の略です。
本当は、㎡数を先ほどのように小数点以下6桁で計算した方がいいのですが、ここでは㎡数が小数点以下2桁ですので、ここ2桁で計算することにします。
10.38㎡/1.62 = 6.407407 となりますので、小数点二位以下を切捨てまして、結果「6.4帖」になりますよね。😉
図面上には、この帖数が記載されています。
右側の「B-Type」の「BR(寝室)」の方も見ておきましょう。🧐
室面積の表記は、ちょっと見にくいですが「9.92㎡」ですので、9.92㎡/1.62 = 6.123456 。
同様に、小数点二位以下を切捨てますと、「6.1帖」となりますので、この帖数が表記されることになるわけです。
ここでは、「1.6562」か「1.62」で割る帖数計算の仕方をご紹介しましたが、帖数の出し方は、本当に各社によってニュアンスが微妙に違います。🥴
例えば、つい先日お邪魔した、そこそこ大きめのRCアパート屋さんでの帖数の出し方は、㎡数の数値に「0.6038」を掛ける!とおっしゃっていました。😅
「1」を「1.6562」で割ると、「0.603791」になりますので、ここで出た「0.6038」はこの数字ということになりますね。🤔
小数点二位以下を切捨ててから、掛け率を掛けたり割ったりする場合と、小数点以下六位まで残した状態で、掛けたり割ったりする場合とでも、帖数の数値が微妙に変わったりしますので、紛らわしいですよね。😓
建築基準法の方で、「帖数」なる定義があればもう少し統一感が出てくるんだろうと思うのですが、正直なところ「帖数」は関係ありませんから、帖数計算の仕方(帖数の出し方)も曖昧なままになっていて、各社多様の解釈で運用されている・・・というのが実情です。
筆者が謝っても何の足しにもならないと思いますが、紛らわしくって申し訳ございません・・ 🙏
面積の「坪数」表記と坪数計算
最後に、帖数と似たような考え方になるのですが、いわゆる「坪数」の出し方、つまり坪数計算の方も簡単にご説明しておきます。
これも建築基準法で定義されているモノではありませんので、帖数計算の話と似たようなことになってしまうのですが、通常は、㎡数の面積数値を「3.3124」で割るか、「0.3025」を掛けるのが一般的な坪数計算の基本かな、と思います。
帖数についてもそうなのですが、特に坪数については、どちらかというと不動産業界で多用されるものですので、ややニュアンスが違うかもしれませんね。🤔
要するに「一坪」角を何mm角で考えるか?という点がポイントになるわけですが、要は「一間」がいくつなのか?ということですので、正確には1818mm角が正とされています。
昨今では、これを丸めて、1820mm角と見る考えが主流のような気がしますので、ここに食い違いが生じてきてしまう訳ですね。😖
先の「3.3124」については、1.820✕1.820の数値。
掛ける方の「0.3025」については、「1」を「1.818✕1.818」で割ると、「0.302560・・・」となりますので、この差ということです。

ですので、建物の場合の坪数計算と考えますと、在来木造などで910モジュールの場合は㎡数の数値を「3.3124」で割る。
909モジュールの場合は、㎡数の数値に「0.3025」を掛けることで、それなりに筋の通った坪数が求められることにはなります。
ちなみに、坪数計算の場合は、いずれも小数点以下三位以下の切り捨てが基本になります。
※先の通り、帖数計算の場合は二位以下切捨てが主流。
じゃあ、900モジュールの場合の坪数計算は、1.800✕1.800の「3.24」で割ればいいのか?という議論になってくるのですが、「3.24」で割る会社さんもいらっしゃることは確かなのですが、おそらく数はさほど多くないと思います。😐
なぜなら、先の通り「一間」は「1.818」が正解であって、「1.820」に丸めることはあるとしても、「1.800」では丸めすぎですので、筋の通った表記からは外れてしまうからです。👌
今日のまとめ
本日は、面積関係に係る図面表記、㎡数、帖数、坪数についての解説と、実際の㎡数計算、帖数計算、坪数計算のやり方をザッとご説明して参りました。
冒頭でお話しした通り、小学校で習った「面積の求め方」が基本になるとは言え・・・

1996年の建築士試験合格以来、四半世紀に渡って、最低でも600件とか700件の面積計算をし続けていますが、正直なところ、面積計算は結構メンドくさくて、好きにはなれません。😖
建築士に合格する以前も設計事務所にいましたので、正確に言うと、四半世紀どころでなく、もっとやってますね・・・ 😩
あ!ちなみに、念のためですが、面積計算屋さんなどではなく、設計事務所ですので。
帖数計算についてもずっとやっているものの、室面積に係数を掛けるか/割るかだけですので、これについては特に気にはなりません。🙂
坪数計算については、既述の通り、建築ではほぼ使いませんし、曖昧な部分が多い気がしますので、計算自体は帖数計算と似たようなモノですから、何も苦はないのですが、誤解や行き違いを防ぐためにも、特に最近は、要求がない限り敢えて書かないようにしています。😁
ここでは簡単な、ただの長方形のお部屋の面積「室面積」を例にとって、なるべく具体的で認識しやすいモノとなるよう、実際の平面図などを用いてご説明しました。
・・・が、いわゆる「容積率/建蔽率」に絡む、「床面積」や「延べ面積」、「建築面積」などの話になると、こんな簡単なご説明では済みませんし、そうそう説明できるものでもありません。😫

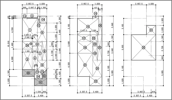
これ👆は、とある木造3F建てのお宅の求積図です。
建築面積や床面積、延べ面積を求積しつつ、室面積までも出してしまおうという絵ですので、やや細かくなっていますが、メンド臭そうですよね?👀
24.11/12追記
リンクを貼り忘れていましたが、今回の「㎡数、帖数、坪数表記」となる面積は求積図と呼ばれる図面を使って求積されます。
お時間とご興味がありましたら、こちら👉「建築図面解説:求積図とは?」の方もお立ち寄りください。
えぇ?👂
これっぽっちでメンドくさがるのは、筆者だけですかね・・・ 😅
ま、いずれにしても「床面積」や「延べ面積」、「建築面積」などの話については、概要についての解説記事を準備中ですので、申し訳ないのですが、また別の機会にさせてください。🙏
簡単なご説明となりましたが、今日も、最後までお読みいただき、どうも有難うございました。🤗


コメント